I've gotten my early BN4 heater going.....mostly....
It used to smoke a lot out the exhaust, after cleaning the glow plug its still smokes, but less.
So I suspect that the glow plug may not be getting hot enough.
I'm not that familiar with glow plugs, so I may be completely wrong about this.
Anyone have any experience tuning the early BN4? (has a separate spark plug and glow plug)
If it is the glow plug, where would one go about getting a new one?
Eberspacher BN4 Glow Plug?
-
boeing7873

- Posts: 198
- Joined: Sun Dec 21, 2008 10:50 am
- Location: Atlanta
- Contact:
Re: Eberspacher BN4 Mixture adjustment - Wiring
Gents,
I am trying to start my BN4 again after a full rebuild. But having some of the same issues I had before. One sometimes it does not start, suspecting fuel pump not always running, second, suspect mixture too rich, therefore lots of carbon deposits and smoke.
Any idea on how to solve the rich mixture?
Also have a brown cable going nowhere, but AFAIR it was always like that.
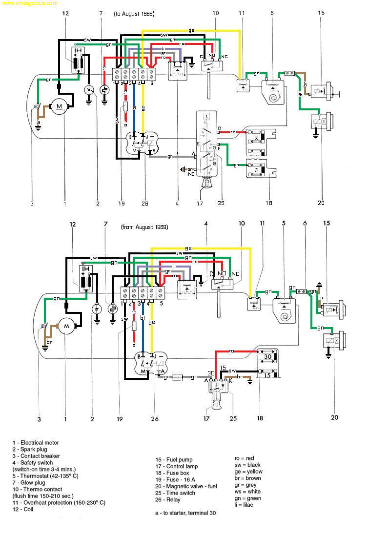
I found on the web a very nice diagram but low quality, but please beware. If you look for BN4 wiring diagrams, you will find there are two versions (before and after a certain date, see below)
So I assume my installation in the pinz is the one after 69, but my Fuel pump does not have a ground, so the pump seems to be pre 69 version.
Anyone with info on the wiring diagram for the Pinz BN4?
I am trying to start my BN4 again after a full rebuild. But having some of the same issues I had before. One sometimes it does not start, suspecting fuel pump not always running, second, suspect mixture too rich, therefore lots of carbon deposits and smoke.
Any idea on how to solve the rich mixture?
Also have a brown cable going nowhere, but AFAIR it was always like that.
I found on the web a very nice diagram but low quality, but please beware. If you look for BN4 wiring diagrams, you will find there are two versions (before and after a certain date, see below)
So I assume my installation in the pinz is the one after 69, but my Fuel pump does not have a ground, so the pump seems to be pre 69 version.
Anyone with info on the wiring diagram for the Pinz BN4?
- Attachments
-
- 2017.JPG (109.39 KiB) Viewed 2868 times
-
- BN4 Wiring 710k.jpg (124.79 KiB) Viewed 2868 times
Jerome
CRJ Driver
CRJ Driver