Page 1 of 1
Re: Wiring Schematic
Posted: Wed Apr 17, 2013 2:10 pm
by VinceAtReal4x4s
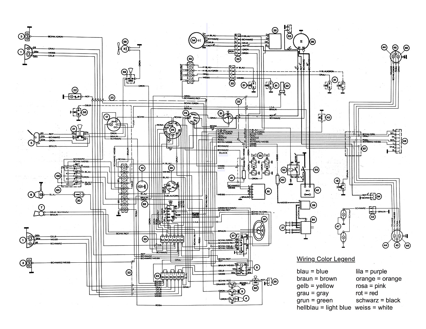
I have enabled pdf files on the forum but it doesn't seem to work too well. If someone can convert this to a photo file it would be helpful so it can stored here as well. (At full res)
Re: Wiring Schematic
Posted: Wed Apr 17, 2013 5:56 pm
by VinceAtReal4x4s
I made a smaller file to fit here for quick reference. Right click and view/zoom for better size.

- SwissPinzSchematic.jpg (456.41 KiB) Viewed 38613 times
Re: Wiring Schematic
Posted: Tue Apr 23, 2013 8:00 am
by Middlebury_Pinz
Nice job, thanks to all of you who contributed!
Re: Wiring Schematic
Posted: Tue Apr 23, 2013 5:43 pm
by 4x4Pinz
one of the pinz owners in Texas made up some of the electrical diagrams in blueprint size (24x36 inch) some years ago. Make great garage hangers and easy to read.
Re: Wiring Schematic
Posted: Thu May 08, 2014 9:58 pm
by JimmyC
Can somebody post the legend?
Re: Wiring Schematic
Posted: Thu May 08, 2014 10:53 pm
by pcolette
Here's the legend:

- 710M Schematic Legendrev2.jpg (369.55 KiB) Viewed 37854 times
Re: Wiring Schematic
Posted: Sun May 11, 2014 9:29 am
by pcolette
Re: Wiring Schematic
Posted: Thu May 21, 2015 4:18 am
by martinlbb
Hi Guys,
I own a civilian version of Pinzgauer. In the 80's, it was bought to race on Paris Dakar. I do a full rebuild of it.
I have noticed few differences between army and civilian schematics. Ie: no pink cable for tactical light, but orange and red cable for reverse light and rear fog. Reverse cable is pre-cabled in diff harness but not used (optional reverse switch).
Luckily,
pinz color wiring.pdf file is editable (using Illustrator). I'll provide an alternate version for civilian Pinz. I let you know

Re: Wiring Schematic
Posted: Thu May 21, 2015 11:46 am
by David Dunn
The posted schematic is for the Swiss spec Pinzgauer which are the most common in the US (with circuit breakers). A majority of all Pinzes made have what is refer to as Austrian (spec). These have fuses instead of CB's and non-combined turn/brake lamp indicators, hence different wiring.
The "Austrian" wiring diagram is in the owners manual. The Swiss diagram was a separate sheet supplied with those trucks.
Basically, if it wasn't made for the Swiss military contract, it has the standard Austrian wiring.
Re: Wiring Schematic
Posted: Mon Jun 12, 2017 2:31 pm
by AlpineAdventuresMatt
Does this schematic apply to 712s? Tried to find a 712 specific schematic on the forum with no luck. I have schematics in my shop manual but they seem to make no sense and match up with wiring paths and wire colors. Trying to find the most reliable schematic out there.
Re: Wiring Schematic
Posted: Mon Jun 12, 2017 2:39 pm
by Jimm391730
Wiring differences between similar 712s vs 710s is just the length of the wiring harness; but differences between Ms, Ks, etc. are valid due to differences in the equipment (i.e., Ks have map lights in the back, for example, and Ms do not).