ok, bit of an oddball issue here I’m struggling to wrap my head around. My truck won’t turn off
as soon as I turn the battery switch on my fuel solenoids click and have power, no matter the ignition switch position. The problem is the PinzSSI takes its power from those same solenoids. Once running turning the ignition key or the battery switch does not cut power to the solenoids, so the PinzSSI doesn’t know to turn off and the engine continues to run. Pulling the included fuse for the PinzSSI in the battery box is my only means of turning the engine off right now
I thought it was an ignition switch issue, so I swapped it for a new one from EI. This did not solve the issue. I tried to isolate the issue, disconnecting everything else remotely connected to the solenoids electrically, including: PinzSSI, starter button, headlight switch, horn, blower switch and motor. One at a time I disconnected wires from the ignition switch until I no longer heard the solenoids click when I turned the battery switch.
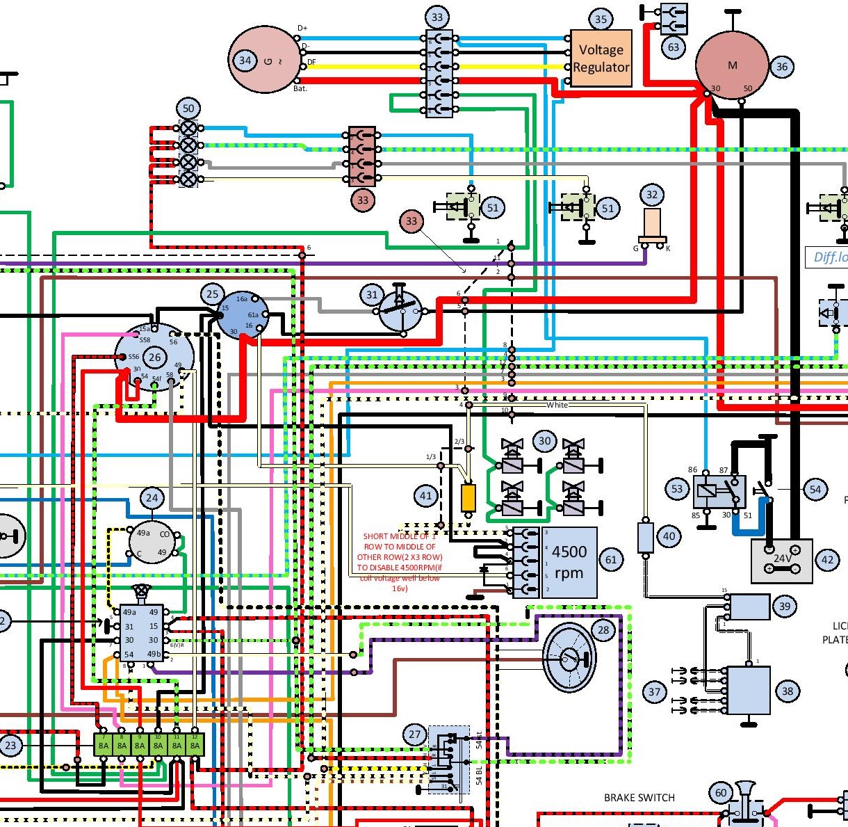
Somehow the black wire from the ignition switch to breaker #10 that should be the solenoids power source did not have any affect. The middle and left red wire pictured are the 2 wires I can pull to stop power going to the solenoids. +24V supply is coming through the center red, the rightmost goes to the headlight switch, and I have no idea where the left most red wire goes. The wiring diagram clearly shows only 2
#10 breaker is clearly wired as per the diagram, so that mystery red wire isn’t going there
this is exactly how the previous ignition switch was wired up, and continuing to run is a recent problem. At first it would hesitate to turn off with the key, but now it does not turn off at all. My only guess is there’s a short somewhere in the connectors (33). I’ll need to dive in deeper with a multimeter tomorrow, but I’m open to and incredibly appreciative of any and all help understanding what the heck is going on and where to look to solve this puzzle
it’s a swiss 712 with an ambulance body
Truck won't turn off?
-
pazuzuthepinzgauer

- Posts: 5
- Joined: Mon May 07, 2018 8:13 pm
Truck won't turn off?
- Attachments
-
- cropped ignition switch.jpg (1.56 MiB) Viewed 4160 times
-
- pinz ignition wiring.jpg (484.97 KiB) Viewed 4160 times
Re: Truck won't turn off?
Definitely a mystery. I suggest checking the terminal numbers molded into the back of the ignition switch and confirm that the correct wires are connected. That third red wire, left-most in your photo, has a different crimp terminal on it. Can you track where it goes? I have a few schematics and as you said, they all show only 2 red wires. Any chance it has something to do with the ambulance body? Power for accessories?
Paul C.
_________
'73 Swiss 710M SOLD
'89 Puch 230GE
_________
'73 Swiss 710M SOLD
'89 Puch 230GE
-
pazuzuthepinzgauer

- Posts: 5
- Joined: Mon May 07, 2018 8:13 pm
Re: Truck won't turn off?
that's the thing, though. this is exactly how it was wired up since I bought the truck, the new ignition switch went on today and I was certain to match their previous locations to the new one. the way things behave hasn't changed from one ignition switch to the other, and the problem was not present when the PinzSSI was first installed. it seemed to gradually take longer to shut off over a few weeks (which I probably should have looked into sooner). so it's not like some wire gradually reconnected itself to the wrong terminal
but like what the heck could cause that kind of gradual misbehavior other than a faulty ignition switch? I'm half tempted to just add a separate switch right before the solenoids and leave whatever sorcery exists in this truck be
I'll see if I can better trace that phantom red wire, it quickly joins the spaghetti bundle back there so I wasn't able to get any solid idea of where it goes yet. I think I'll go at the connector with a continuity tester to see if it links up there.
i feel like it shouldn't be part of the ambulance body power, given I could cut solenoid power by disconnecting mystery red. but at this point I'm not convinced I understand or know anything for certain
will report back when i have more info gathered
but like what the heck could cause that kind of gradual misbehavior other than a faulty ignition switch? I'm half tempted to just add a separate switch right before the solenoids and leave whatever sorcery exists in this truck be
I'll see if I can better trace that phantom red wire, it quickly joins the spaghetti bundle back there so I wasn't able to get any solid idea of where it goes yet. I think I'll go at the connector with a continuity tester to see if it links up there.
i feel like it shouldn't be part of the ambulance body power, given I could cut solenoid power by disconnecting mystery red. but at this point I'm not convinced I understand or know anything for certain
will report back when i have more info gathered
Re: Truck won't turn off?
You noticed that with the Ign switch off you can hear the
Solenoids actuate when the Battery switch is closed and opened.
Measure that voltage please. And do you also see the fuel gauge
active as well ?
Solenoids actuate when the Battery switch is closed and opened.
Measure that voltage please. And do you also see the fuel gauge
active as well ?
Puller: 71' 710K 2.7L EFI aka Mozo
Follower: Sankey MK 3, 3/4 Tonne
Rescue Pinz: 73' 712MK
Driver: Ron // KO0Q
Follower: Sankey MK 3, 3/4 Tonne
Rescue Pinz: 73' 712MK
Driver: Ron // KO0Q
-
pazuzuthepinzgauer

- Posts: 5
- Joined: Mon May 07, 2018 8:13 pm
Re: Truck won't turn off?
heh, well I found the problem. breaker number 9 and 10 were seated in just the wrong way that they made contact. 9 has access to power regardless of ignition switch position. that mystery red wire is the positive wire to breaker 9. in the wiring diagram it comes from the positive terminal of the headlight switch, but on my truck it comes from the positive terminal of the ignition switch. electrically the same but incredibly confusing when chasing down an oddball issue like this.
appreciate everyone's input!
appreciate everyone's input!
Re: Truck won't turn off?
Thanks for letting us know what you found! Very interesting. Glad you solved the problem.
Paul C.
_________
'73 Swiss 710M SOLD
'89 Puch 230GE
_________
'73 Swiss 710M SOLD
'89 Puch 230GE
Re: Truck won't turn off?
Occam's razor cuts again -- and again 
Puller: 71' 710K 2.7L EFI aka Mozo
Follower: Sankey MK 3, 3/4 Tonne
Rescue Pinz: 73' 712MK
Driver: Ron // KO0Q
Follower: Sankey MK 3, 3/4 Tonne
Rescue Pinz: 73' 712MK
Driver: Ron // KO0Q