Page 9 of 11
Re: Hafi Heavy Cleaning - lots of photos
Posted: Tue Aug 25, 2015 11:14 am
by TechMOGogy
This is good as I had a question about the center tube and oil (Gerry, as I was priming it I did remember that thread and pondered it but it would be a fair amount of work and I am getting sick of taking things apart - I need to start putting stuff back together
So...
If I hold the center tube with front down - no oil
If I hold the center tube with rear end down - oil drips out
When I painted it (rear down) - a lot more oil then I thought came out
Seal issue or no??
Thx
Edit:
May have just answered my own question
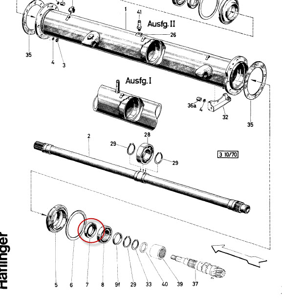
#7 is labeled as an oil seal
Does it really matter? it is sealed with the tranny so where is the oil going to go?
If it does matter - how the heck do I replace that seal??

- CT.jpg (73.18 KiB) Viewed 6886 times
Re: Hafi Heavy Cleaning - lots of photos
Posted: Thu Aug 27, 2015 12:51 pm
by Jim LaGuardia
If the bearings are good it is best to leave it alone. You do not want to damage the bearing retainer using the wrong puller.
Some come apart easier than others.
Just remember to keep everything in order and in proper direction. Start by pulling shaft snap ring on 1 end, you can use a 3 legged puller with a protector over the shaft end, pushing the whole shaft and other end cap/bearing retainer out of the tube.
Fairly easy job in most cases, just getting the whole tube out is the real work

Re: Hafi Heavy Cleaning - lots of photos
Posted: Thu Aug 27, 2015 1:50 pm
by TechMOGogy
Since I literally just got my order from HaflingerTechnik (yesterday) this is a PITA for 1 seal
Will have to see what I do!
Re: Hafi Heavy Cleaning - lots of photos
Posted: Thu Aug 27, 2015 2:25 pm
by Jim LaGuardia
Seal is rubber single lip 40x60x10.
Should be able to find at bearing house or online.
Lip faces outward.
Re: Hafi Heavy Cleaning - lots of photos
Posted: Thu Sep 17, 2015 1:11 pm
by TechMOGogy
Fun pics
I pulled the swing arms - check out the original paint that was under the rubber boot - shiny:)

- Swing Arm Black.JPG (102.19 KiB) Viewed 6834 times
This one was cool just because of what was stamped on it:

- SDP BR.JPG (124.49 KiB) Viewed 6834 times
Re: Hafi Heavy Cleaning - lots of photos
Posted: Fri Sep 18, 2015 5:42 pm
by TechMOGogy
I need everyone's vote/advice!
1. Leave as is
2. clear it
Or
3. paint with cast aluminum paint??

Re: Hafi Heavy Cleaning - lots of photos
Posted: Fri Sep 18, 2015 6:46 pm
by Garrycol
I would leave it natural - painting might look nice now but ultimately will be harder to keep clean and when the paint starts to break down it will look quite tatty.
You need to look at those swing arm boots - if not already cracked they soon will be.
Garry
Re: Hafi Heavy Cleaning - lots of photos
Posted: Fri Sep 18, 2015 8:26 pm
by TechMOGogy
Garrycol wrote:I would leave it natural - painting might look nice now but ultimately will be harder to keep clean and when the paint starts to break down it will look quite tatty.
You need to look at those swing arm boots - if not already cracked they soon will be.
Garry
To be replaced
Front will get solid boots and still deciding on rear - full or splits
Re: Hafi Heavy Cleaning - lots of photos
Posted: Fri Sep 18, 2015 10:17 pm
by Garrycol
If you have to buy boots now - I would go splits all round - easy to do now with diffs out etc but just think when you have to work on them next time around - with every thing on the car - while putting splits on can be a bit of a pain - it is still far easier than having to take the swing arms and hubs off to do the job in the future.
But then you could go unsplit all round now and if they fail in the future go splits then.
Garry
Re: Hafi Heavy Cleaning - lots of photos
Posted: Fri Sep 18, 2015 11:09 pm
by Profpinz
I took the clear coat option this time around on the 718 (be sure the chose the correct type of paint if you go this option) but the jury is still out as to whether I made the right choice.
When I rebuilt the Haffy and 712 in the past I just cleaned the alloy casings as you have done, but I found over the years they tarnish and degrade and generally look pretty "second-hand" whereas any painted parts were easier to keep clean and looked better.
I probably haven't helped your choice any, but ask me the question again in a decade or two and I'II give you a definite answer.

Re: Hafi Heavy Cleaning - lots of photos
Posted: Sat Sep 19, 2015 12:49 pm
by TechMOGogy
Decided to go full boots all around - should last another 40 years

Re: Hafi Heavy Cleaning - lots of photos
Posted: Mon Sep 21, 2015 11:16 am
by TechMOGogy
Question re: Rear Diff Lock lever oil seal
Ordering a new oil seal - don't see an old one (which may explain oil leak

)- where does it get installed??
Diagram makes it looks like the outside but not sure about that as I don't think there is enough room?
So, pressed in from the outside or does it go inside?
Thanks in advance

- Oil Seal.png (52.21 KiB) Viewed 6773 times
Re: Hafi Heavy Cleaning - lots of photos
Posted: Mon Sep 21, 2015 12:05 pm
by Jim LaGuardia
Outside, just as the drawing shows.
Re: Hafi Heavy Cleaning - lots of photos
Posted: Mon Sep 21, 2015 7:43 pm
by TechMOGogy
Jim LaGuardia wrote:Outside, just as the drawing shows.
Ah well then mine was missing all together then so I am sure that was a source of some of the oil
Will check the front on now as well
Thx
Re: Hafi Heavy Cleaning - lots of photos
Posted: Tue Sep 22, 2015 1:34 am
by Heinkeljb
The rubber bellows would have kept most of it in, although there would always have been a weep when the Haflinger was stationary. i blame the same gremlin who removed half the split pins on Lurch before I purchased him.
I think the gremlin might also be involved in removing odd socks from the washing machine....
John